美標浮動式法蘭球閥
產品概覽
手動法蘭球閥主要用于切斷或接通介質,也可用于流體調節和控制。與其他閥門相比,球閥具有以下優點:
1、流體阻力小,球閥所有閥門中流體阻力最小的一種,即使是縮徑球閥,其流體阻力也相當小。
2、開關快捷方便,只要閥桿旋轉90°,球閥就會完成全開或全關動作,輕松實現快速啟閉。
3、密封性能好。球閥座密封圈一般采用聚四氟乙烯等彈性材料制成,易于保證密封,球閥的密封力隨介質壓力的增加而增大。
4、閥桿密封可靠。球閥啟閉時,閥桿只轉動,因此閥桿的填料密封不易被破壞,閥門反向密封的密封力閥桿隨介質壓力的增加而增加。
5、球閥的啟閉只作90°旋轉,易于實現自動控制和遠程控制。球閥可配置氣動裝置、電動裝置、液壓裝置、氣液聯動裝置或電液聯動裝置。
6、球閥通道通暢,不易沉積介質,可做管道球。
產品結構
??? ISO Law Mount Pad?????????????????????????????? ISO 高安裝焊盤
主要零件材料
|
材料名稱 |
碳鋼 |
不銹鋼 |
|
|
閥體 |
WCB、A105 |
CF8、?CF3 |
CF8M、CF3M |
|
閥蓋 |
WCB、A105 |
CF8、?CF3 |
CF8M、CF3M |
|
球體 |
304 |
304 |
316 |
|
閥桿 |
304 |
304 |
316 |
|
閥座 |
PTFE、RPTFE |
||
|
填料 |
PTFE?/ 柔性石墨 |
||
|
壓蓋 |
WCB、A105 |
CF8 |
|
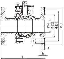
主要外形尺寸和連接尺寸
(ANSI): 150LB
|
IN |
DN |
L |
D |
D1 |
D2 |
B |
T |
Z-ΦD |
ISO5211 |
TXT |
|
1/2″ |
15 |
108 |
90 |
60.3 |
34.9 |
10 |
2 |
4-Φ16 |
F03/F04 |
9X9 |
|
3/4″ |
20 |
117 |
100 |
69.9 |
42.9 |
10.9 |
2 |
4- Φ16 |
F03/F04 |
9X9 |
|
1″ |
25 |
127 |
110 |
79.4 |
50.8 |
11.6 |
2 |
4-Φ16 |
F04/F05 |
11X11 |
|
1 1/4″ |
32 |
140 |
115 |
88.9 |
63.5 |
13.2 |
2 |
4-Φ16 |
F04/F05 |
11X11 |
|
1 1/2″ |
40 |
165 |
125 |
98.4 |
73 |
14.7 |
2 |
4-Φ16 |
F05/F07 |
14X14 |
|
2″ |
50 |
178 |
150 |
120.7 |
92.1 |
16.3 |
2 |
4-Φ19 |
F05/F07 |
14X14 |
|
2 1/2″ |
65 |
190 |
180 |
139.7 |
104.8 |
17.9 |
2 |
4-Φ19 |
F07 |
14X14 |
|
3″ |
80 |
203 |
190 |
152.4 |
127 |
19.5 |
2 |
4-Φ19 |
F07/F10 |
17X17 |
|
4″ |
100 |
229 |
230 |
190.5 |
157.2 |
24.3 |
2 |
8-Φ19 |
F07/F10 |
22X22 |
|
5″ |
125 |
356 |
255 |
215.9 |
185.7 |
243 |
2 |
8-Φ22 |
? | ? |
|
6″ |
150 |
394 |
280 |
241.3 |
215.9 |
25.9 |
2 |
8-Φ22 |
? | ? |
|
8″ |
200 |
457 |
345 |
298.5 |
269.9 |
29 |
2 |
8-Φ22 |
? | ? |
|
10″ |
250 |
533 |
405 |
362 |
323.8 |
30.6 |
2 |
12-Φ25 |
? | ? |
|
12″ |
300 |
610 |
485 |
431.8 |
381 |
32.2 |
2 |
12-Φ25 |
? |
(ANSI): 300LB
|
IN |
DN |
L |
D |
D1 |
D2 |
B |
T |
Z-ΦD |
|
1/2″ |
15 |
140 |
95 |
66.7 |
34.9 |
14.7 |
2 |
4-Φ16 |
|
3/4“ |
20 |
152 |
115 |
82.6 |
42.9 |
16.3 |
2 |
4-Φ19 |
|
1″ |
25 |
165 |
125 |
88.9 |
50.8 |
17.9 |
2 |
4-Φ19 |
|
1 1/4″ |
32 |
178 |
135 |
98.4 |
63.5 |
19.5 |
2 |
4-Φ19 |
|
1 1/2″ |
40 |
190 |
155 |
114.3 |
73 |
21.1 |
2 |
4-Φ22 |
|
2″ |
50 |
216 |
165 |
127 |
92.1 |
22.7 |
2 |
8-Φ19 |
|
2 1/2″ |
65 |
241 |
190 |
149.2 |
104.8 |
25.9 |
2 |
8-Φ22 |
|
3″ |
80 |
282 |
210 |
168.3 |
127 |
29 |
2 |
8-Φ22 |
|
4″ |
100 |
305 |
255 |
200 |
157.2 |
32.2 |
2 |
8-Φ22 |
|
5″ |
125 |
381 |
280 |
235 |
185.7 |
35.4 |
2 |
8-Φ22 |
|
6″ |
150 |
403 |
320 |
269.9 |
215.9 |
37 |
2 |
12-Φ22 |
|
8″ |
200 |
502 |
380 |
330.2 |
269.9 |
41.7 |
2 |
12-Φ25 |
|
10″ |
250 |
568 |
445 |
387.4 |
323.8 |
48.1 |
2 |
16-Φ29 |
|
12″ |
300 |
648 |
520 |
450.8 |
381 |
51.3 |
2 |
16-Φ32 |
(ANSI): 600LB
|
IN |
DN |
L |
D |
D1 |
D2 |
B |
T |
Z-ΦD |
|
1/2″ |
15 |
165 |
95 |
66.7 |
34.9 |
21.3 |
7 |
4-Φ16 |
|
3/4″ |
20 |
190 |
115 |
82.6 |
42.9 |
22.9 |
7 |
4-Φ19 |
|
1″ |
25 |
216 |
125 |
88.9 |
50.8 |
24.5 |
7 |
4-Φ19 |
|
1 1/4″ |
32 |
229 |
135 |
98.4 |
63.5 |
27.7 |
7 |
4-Φ19 |
|
1 1/2″ |
40 |
241 |
155 |
114.3 |
73 |
29.3 |
7 |
4-Φ22 |
|
2″ |
50 |
292 |
165 |
127 |
92.1 |
32.4 |
7 |
8-Φ19 |
|
2 1/2″ |
65 |
330 |
190 |
149.2 |
104.8 |
35.6 |
7 |
8-Φ22 |
|
3″ |
80 |
356 |
210 |
168.3 |
127 |
38.8 |
7 |
8-Φ22 |
|
4″ |
100 |
432 |
275 |
215.9 |
157.2 |
45.1 |
7 |
8-Φ22 |
|
5″ |
125 |
508 |
330 |
266.7 |
185.7 |
51.5 |
7 |
8-Φ29 |
|
6″ |
150 |
559 |
355 |
292.1 |
215.9 |
54.7 |
7 |
12-Φ29 |
|
8″ |
200 |
660 |
420 |
349.2 |
269.9 |
62.6 |
7 |
12-Φ32 |
|
10″ |
250 |
787 |
510 |
431.8 |
323.8 |
70.5 |
7 |
16-Φ35 |
|
12″ |
300 |
838 |
560 |
489 |
381 |
73.7 |
7 |
20-Φ35 |
(ANSI): 900LB
|
IN |
DN |
L |
D |
D1 |
D2 |
B |
T |
Z-ΦD |
|
1″ |
25 |
254 |
150 |
101.6 |
50.8 |
35.6 |
7 |
4-Φ26 |
|
1 1/4″ |
32 |
279 |
160 |
111.1 |
63.5 |
35.6 |
7 |
4-Φ26 |
|
1 1/2″ |
40 |
305 |
180 |
123.8 |
73 |
38.8 |
7 |
4-Φ30 |
|
2″ |
50 |
368 |
215 |
165.1 |
92.1 |
45.1 |
7 |
8-Φ26 |
|
2 1/2″ |
65 |
419 |
245 |
190.5 |
104.8 |
48.3 |
7 |
8-Φ30 |
|
3″ |
80 |
381 |
240 |
190.5 |
127 |
45.1 |
7 |
8-Φ26 |
|
4″ |
100 |
457 |
290 |
235 |
157.2 |
51.5 |
7 |
8-Φ33 |














