高性能V型球閥
概括
??V切具有較大的可調比和等百分比流量特性,實現壓力和流量的穩定控制。
??結構簡單、體積小、重量輕、流道通暢。
??提供wrth大螺母彈性自動補償結構,有效控制閥座和閥塞的密封面,實現良好的密封性能。偏心塞和閥座結構可以減少磨損。
??V 形切割在閥座上產生楔形剪切力以切斷含有纖維的介質。特別適用于高粘度介質和含有纖維和顆粒的介質的開松和控制。
閥體
? 類型:偏心角行程整體球、夾套球
? 公稱直徑 (DN):1″~20″
? 公稱壓力 (PN):ANSI 150LB-900LB
? 連接類型:法蘭連接或對夾式
? 材料:A216-WCB 、A351-CF8、A351-CF8M(或鍛件)
? 填料:聚四氟乙烯浸漬石棉、聚四氟乙烯、柔性石墨 也可根據用戶要求提供保溫夾套蝶閥。
閥內組件
?閥塞類型:V 形切割球? 閥塞材料:A351-CF8、CF8M 碳化或表面噴塑硬質噴孔
? 閥座材料和工作溫度:
軟密封:
PTFE -20-+180℃填充
PTFE -20-+180℃
PPL -40~+350℃
硬密封(y):
A351-CF8、CF8M
碳化或表面硬質合金噴焊-40+450℃
閥軸材料:A276-420、A564-630
軸套材料:A182-F304、A182-F316(氮化)或WMS(高溫合金)
? 圖1 軟密封型
堵頭:A351-CF8、A351-CF8M
閥座材料:PTFE、填充PTFE、PPL
閥座泄漏:零泄漏
? 圖2 鋼板型金屬密封
堵頭材料:A351-CF8、CF8M 滲氮或表面噴焊
閥座材料:3J1、Inconel 不銹鋼板
閥座泄漏:按 ANSI B16.104 IV-VI 級密封
額定在 KVx0.00l% 以內(250°C)
額定在 KVx0.005% (400°C) 以內
產品結構
圖1 軟密封結構圖????????????????????????????????????????? 圖2 鋼板式金屬硬密封結構圖
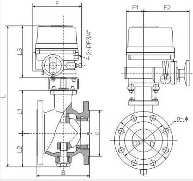
外形與連接尺寸
|
DN |
L |
PN16 |
L |
150LB |
10K |
|||||||||
|
D |
D1 |
d |
n-Φ |
D |
D1 |
d |
n-Φ |
D |
D1 |
d |
n-Φ |
|||
|
25 |
450 |
115 |
85 |
65 |
4-Φ14 |
102 |
110 |
79.4 |
50.8 |
4-16 |
125 |
90 |
67 |
4-19 |
|
32 |
470 |
140 |
100 |
76 |
4-Φ18 |
102 |
115 |
88.9 |
63 |
4-16 |
135 |
100 |
76 |
4-19 |
|
40 |
473 |
150 |
110 |
84 |
4-Φ18 |
114 |
125 |
98.4 |
73 |
4-16 |
140 |
105 |
81 |
4-19 |
|
50 |
488 |
165 |
125 |
99 |
4-Φ18 |
124 |
150 |
1207 |
92.1 |
4-18 |
155 |
120 |
96 |
4-19 |
|
65 |
561 |
185 |
145 |
118 |
8-Φ18 |
145 |
180 |
139.7 |
104.8 |
4-18 |
175 |
140 |
116 |
4-19 |
|
80 |
586 |
200 |
160 |
132 |
8-Φ18 |
165 |
190 |
152.4 |
127 |
4-18 |
185 |
150 |
126 |
8-19 |
|
100 |
607 |
220 |
180 |
156 |
8-Φ18 |
194 |
230 |
190.5 |
157.2 |
8-18 |
210 |
175 |
151 |
8-19 |
|
125 |
668 |
250 |
210 |
184 |
8-Φ18 |
194 |
255 |
215.9 |
185.7 |
8-22 |
250 |
210 |
182 |
8-23 |
|
150 |
693 |
285 |
240 |
211 |
8-Φ22 |
229 |
280 |
241.3 |
215.9 |
8-22 |
280 |
240 |
212 |
8-23 |
|
200 |
768 |
340 |
295 |
266 |
12-Φ22 |
243 |
345 |
298.5 |
269.9 |
8-22 |
330 |
290 |
262 |
12-23 |
|
250 |
901 |
405 |
355 |
319 |
12-Φ26 |
297 |
405 |
362 |
323.8 |
12-26 |
400 |
355 |
324 |
12-25 |
|
300 |
921 |
460 |
410 |
370 |
12-Φ26 |
338 |
485 |
431.8 |
381 |
12-26 |
445 |
400 |
368 |
16-25 |
|
350 |
1062 |
520 |
470 |
429 |
16-Φ29 |
400 |
535 |
476.3 |
412.8 |
12-30 |
490 |
445 |
413 |
16-25 |
|
400 |
1117 |
580 |
525 |
480 |
16-Φ30 |
400 |
595 |
539.8 |
469.9 |
16-30 |
560 |
510 |
475 |
16-27 |
|
450 |
1255 |
640 |
585 |
548 |
20-Φ30 |
520 |
635 |
577.9 |
533.4 |
16-33 |
620 |
565 |
530 |
20-27 |
|
500 |
1282 |
715 |
650 |
609 |
20-Φ33 |
600 |
700 |
635 |
584.2 |
20-33 |
675 |
620 |
585 |
20-27 |










